This repository was archived by the owner on Oct 2, 2020. It is now read-only.
-
Notifications
You must be signed in to change notification settings - Fork 702
Added Infineon_EasyPIM_2B #2388
Open
aris-kimi
wants to merge
17
commits into
KiCad:master
Choose a base branch
from
aris-kimi:easypim2b
base: master
Could not load branches
Branch not found: {{ refName }}
Loading
Could not load tags
Nothing to show
Loading
Are you sure you want to change the base?
Some commits from the old base branch may be removed from the timeline,
and old review comments may become outdated.
Open
Conversation
This file contains hidden or bidirectional Unicode text that may be interpreted or compiled differently than what appears below. To review, open the file in an editor that reveals hidden Unicode characters.
Learn more about bidirectional Unicode characters
Sync master
Add optical inspection hole
optical inspection hole
Fix travis
Collaborator
Author
|
Fix all the mess i caused, updated all important images. |
6 tasks
Sign up for free
to subscribe to this conversation on GitHub.
Already have an account?
Sign in.
Labels
Add this suggestion to a batch that can be applied as a single commit.
This suggestion is invalid because no changes were made to the code.
Suggestions cannot be applied while the pull request is closed.
Suggestions cannot be applied while viewing a subset of changes.
Only one suggestion per line can be applied in a batch.
Add this suggestion to a batch that can be applied as a single commit.
Applying suggestions on deleted lines is not supported.
You must change the existing code in this line in order to create a valid suggestion.
Outdated suggestions cannot be applied.
This suggestion has been applied or marked resolved.
Suggestions cannot be applied from pending reviews.
Suggestions cannot be applied on multi-line comments.
Suggestions cannot be applied while the pull request is queued to merge.
Suggestion cannot be applied right now. Please check back later.
I had tried to create IGBT_Module library also in a previous PR, but i've updated lib-table also here so i think it doesn't matter.
I thought we kind of need a library like this for power modules. If not desired inform me to change those PRs.
I do have some more symbols and footprints to submit similar with this part but i will submit seperate as soon as i see how currently open PRs proceed.
Edit:
I just saw letters instead of numbers for footprint pins. I wasn't aware of that. I custom-numbered them to avoid travis violation after
KLC S4.1.3 Pin numbers must be unique (no two pins may have the same number)I will act after guidance.
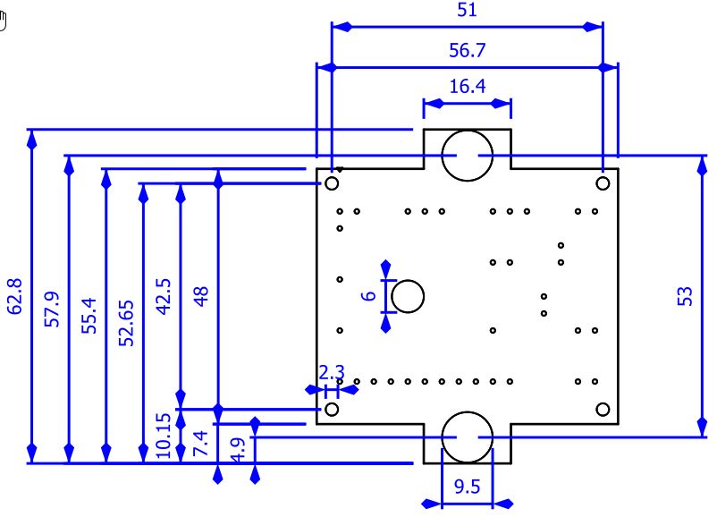
URL: https://www.infineon.com/dgdl/Infineon-FP50R06W2E3-DS-v02_02-EN.pdf?fileId=db3a30431b3e89eb011b455c99987d24
3D model PR: KiCad/kicad-packages3D#719
Hole size: 0.84mm
Pad size: 2mm
Red numbers are the path i chose for pin numbering:

Dimensions from fab layer and THs from KicadStepUp:
Pin number in footprint:

(unmirrored, no rotation)
Footprint from editor:

(mirrored, rotated)
Bottom side:

(free area)
Top side:

(Part area)
Properties:
Travis:

Edit:
I would love to see this PR getting merged earlier than the other...
Updated
Thank you for your time.
All contributions to the kicad library must follow the KiCad library convention
Thanks for creating a pull request to contribute to the KiCad libraries! To speed up integration of your PR, please check the following items:
Be patient, we maintainers are volunteers with limited time and need to check your contribution against the datasheet. You can speed up the process by providing all the necessary information (see above). And you can speed up the process even more by providing a dimensioned drawing of your contribution. A tutorial on how to do that is found here: https://forum.kicad.info/t/how-to-check-footprint-correctness/9279 (This is optional!)